| 67496 грн. | |
| В корзину | |
| Есть в наличии | |
Вентиляторы RVK-EX 315D4 соответствуют требованиям ATEX и предназначены для использования во взрывоопасных зонах 1 и 2, для удаления газообразных горючих и негорючих сред группы II категории А и B из этих зон а также водорода, классы температур Т1, Т2 и Т3.
Преимущества:
- Возможность регулирования скорости
- Встроенные термисторы
- Установка в любом положении
- Не требуют обслуживания и надежны в работе
Конструкция:
Корпус изготовлен из электропроводного пластика. Конструкция вентилятора обеспечивает повышенный уровень безопасности в соответствии с требованиями EEx e II T3.
Двигатель:
Используется электродвигатель с внешним ротором и рабочим колесом с назад загнутыми лопатками, для защиты двигателя от перегрева имеются встроенные терморезисторы, которые необходимо подключать к внешнему устройству защиты U-EK230E.
Регулирование скорости:
Скорость вентиляторов RVK-EX 315D4 регулируется путем изменения напряжения с помощью 5-ступенчатого трансформатора вместе с устройством защиты электродвигателя U-EK230E производства Systemair.
Монтаж:
Вентиляторы могут устанавливаться в любом положении и монтируются в воздуховод. Быстроразъемные хомуты FK облегчают монтаж и демонтаж, а также предотвращают передачу вибрации на воздуховод.
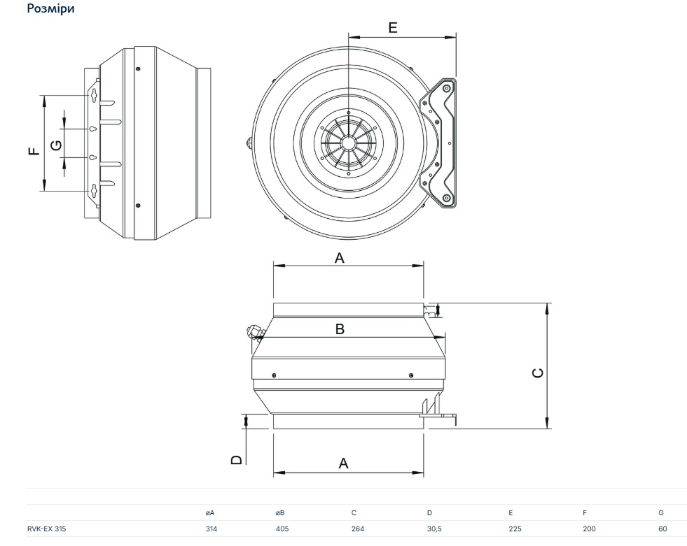
Взрывобезопасные канальные вентиляторы RVK-EX 315D4.
| Маркировка | RVK-EX 315D4 |
| Страна производителя | Швеция |
| Электропитание (В/фаза/Гц) | 400В/3/50 |
| Потребляемая мощность, Вт | 90 |
| Потребляемый ток, А |
0,25 |
| Расход воздуха (макс.), м3/ч | 1120 |
| Скорость вращения рабочего колеса, об/мин | 1385 |
| Температура перемещаемого воздуха, °С | -20 - +40 |
| Уровень звукового давления | 41 дБа |
| Класс защиты | IP44 |
| Класс изоляции | B |
| Маркировка взрывозащиты | II 2G c Ex e IIB T3 |
| Вес, кг | 7,1 |
| Тип двигателя | AC |
| Гарантия | 1 год |
| Поставляется под заказ | срок поставки 4-6 недель |

Купить взрывозащищенный вентилятор Systemair RVK-EX 315D4, а также уточнить стоимость Вы можете у наших менеджеров.
Звоните:
☎ (044) 227 - 75 - 89
(067) 152 - 25 - 41






